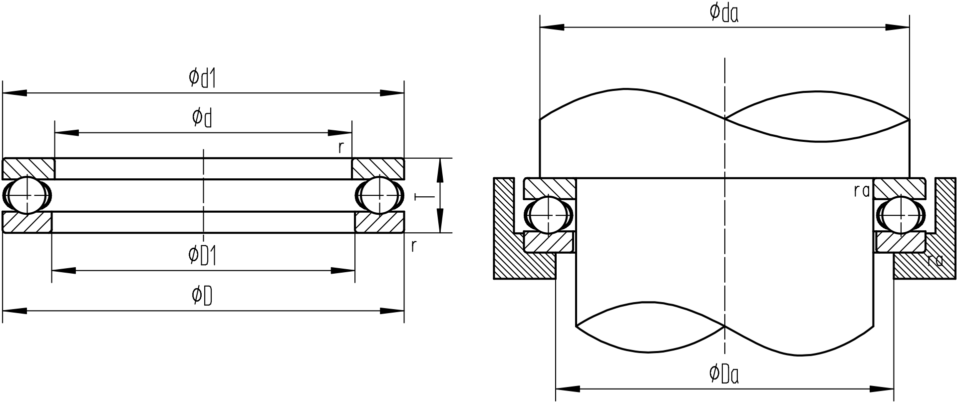
推力球軸承 所屬分類:推力軸承 發布時間:2022-08-22 推力球軸承由軸圈、底圈、球和保持架組件構成。此類軸承是可分離軸承,即球和保持架組件與墊圈可以分別安裝。推力球軸承有單向軸承和雙向軸承兩種設計,二者都可承受很高的軸向力但不能承受徑向力。 上一篇 : 推力圓柱滾子軸承 下一篇:沒有了